JMC CR 26VUU 轴承

螺栓型滚轮轴承 系列高精密轴承产品

型号:CR 26VUU
填充型;英寸尺寸;不锈钢
填充型;英寸尺寸;不锈钢
CR 26VUU
CR 26VUU
CR 26VUU
CR 26VUU 轴承产品图纸与实物展示

产品系列

产品品牌 JMC轴承
产品系列 CR..VM
产品分类 螺栓型滚轮轴承

现货信息

库存状态 现货
交货地 上海
价格咨询 18621636333
微信咨询
微信咨询

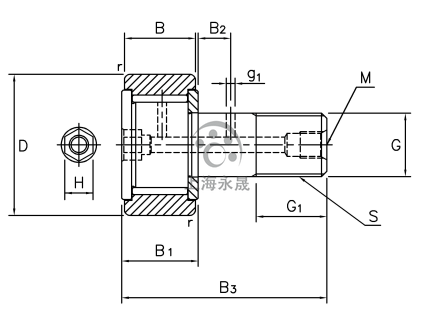
技术参数

参数名称 参数值
螺柱直径 G (毫米/英寸) 15.875 (5/8)
重量 (克) 260
H (毫米) 6
D (英寸/毫米) 1 5/8 / 41.275
螺丝 UNF S 5/8 - 18
B (英寸/毫米) 7/8 / 22.225
B₁ (英寸/毫米) 29/32 / 23.800

正在寻找高品质JMC轴承

我们承诺:所有产品均为原厂原装,假一罚十。海量现货,快速响应您的需求。

立即获取报价