JMC GE 60ES 轴承

球面滑动轴承 系列高精密轴承产品

型号:GE 60ES
加油型;mm尺寸;普通型
加油型;mm尺寸;普通型
GE 60ES
GE 60ES
GE 60ES
GE 60ES 轴承产品图纸与实物展示

产品系列

产品品牌 JMC轴承
产品系列 GE
产品分类 球面滑动轴承

现货信息

库存状态 现货
交货地 上海
价格咨询 18621636333
微信咨询
微信咨询

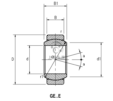
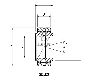
技术参数

参数名称 参数值
重量 (gr) 1,100
d 60
D 90
B 36
B1 44
d1 66.8
ø 80
r1 最小 1
r 最小 1
a 6
a1 3
动态负载能力 C/Kgf 28,800
静态负载能力 Co/Kgf 173,000

正在寻找高品质JMC轴承

我们承诺:所有产品均为原厂原装,假一罚十。海量现货,快速响应您的需求。

立即获取报价