JMC ZBL 14B 轴承
球接头 系列高精密轴承产品
型号:ZBL 14B
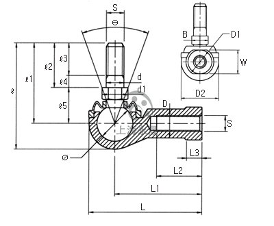
ZBL 14B 轴承产品图纸与实物展示
现货信息
库存状态
现货
交货地
上海
价格咨询
18621636333
微信咨询
技术参数
| 参数名称 | 参数值 |
|---|---|
| 重量 (grf) | 260 |
| 螺丝 S | M14 x 2.0 |
| D | 20 |
| L | 75 |
| L1 | 57 |
| L2 | 25 |
| L3 | 8 |
| D1 | 25 |
| W 0/-0.3 | 22 |
| D2 | 36 |
| d | 14 |
| ℓ | 77.95 |
| ℓ1 | 64 |
| ℓ2 | 40.5 |
| ℓ3 | 36.5 |
| ℓ4 | 4 |
| ℓ5 ±0.3 | 23.5 |
| d1 | 21 |
| B 0/-0.3 | 19 |
| 滚珠直径 ø / mm | 25.4 |
| 倾斜角/屈服 θ | 50° |
| 强度静态负载 Pk/Kgf | 2,020 |
| 容量 Co/Kgf | 4,990 |