JMC CFH 30-1 UUR 轴承

螺栓型滚轮轴承 系列高精密轴承产品

型号:CFH 30-1 UUR
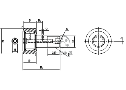
保持架型;mm尺寸;偏心型
保持架型;mm尺寸;偏心型
CFH 30-1 UUR
CFH 30-1 UUR
CFH 30-1 UUR
CFH 30-1 UUR 轴承产品图纸与实物展示

产品系列

产品品牌 JMC轴承
产品系列 CFH
产品分类 螺栓型滚轮轴承

现货信息

库存状态 现货
交货地 上海
价格咨询 18621636333
微信咨询
微信咨询

技术参数

参数名称 参数值
螺柱直径 G (mm) 30
重量 (gr) 2,030
H 12
D 85
螺丝 S M30 X 1.5
B 35
B₁ 37
B₃ 100
M M6 X 1
g₁ 4
G₁ 32
B₂ 15
e 1.0
r 2
安装尺寸 f 最小值 (mm) 46
基本额定动载荷 C/kgf 4,170
基本额定静载荷 Co/Kgf 7,810
允许转速 (RPM) 5,000

正在寻找高品质JMC轴承

我们承诺:所有产品均为原厂原装,假一罚十。海量现货,快速响应您的需求。

立即获取报价