JMC TJ 5 轴承

球接头 系列高精密轴承产品

型号:TJ 5
TJ 5
TJ 5
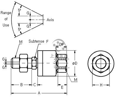
TJ 5 轴承产品图纸与实物展示

产品系列

产品品牌 JMC轴承
产品系列 THRUST JOINTS
产品分类 球接头

现货信息

库存状态 现货
交货地 上海
价格咨询 18621636333
微信咨询
微信咨询

技术参数

参数名称 参数值
螺纹标准 M 5 x 0.8
螺纹标准 DP 7
A 35
B 14
C 2
øD 16
E 5
F 6
H 10
直径倾斜角 10°
允许偏心距 G 0.5
拉伸和压缩力最大值 Kgf 12
适用气缸内径 ø 10, 15

正在寻找高品质JMC轴承

我们承诺:所有产品均为原厂原装,假一罚十。海量现货,快速响应您的需求。

立即获取报价